(左) 三日月宗近 (右) 山鳥毛 三日月宗近は特徴ある雉子股形です 山鳥毛は茎にも製作当時の反りが強く残っていて、刀身のみならず全長(刃長+茎長さ)としてみた場合に中心に反りがきている美しい太刀姿をしています。 どちらの太刀姿も最の高ですね (気になってつい調べてしまいました)
「山姥切国広」は本歌:山姥切長義に形状における点だけでも、いくつかオリジナルにアレンジを加えています。 あくまで生ぶの打刀として製作されています。 本歌と比較して ・先反りの反りの強くなり始めるポイントを下げ先端では弱めている。 ・切先が延びて、フクラが枯れいるので、大きい。
(左より) ・山姥切国広 長さ 2尺3寸3分弱(70.6cm)反り 9分3厘(2.82cm) ・山姥切長義 長さ 2尺3寸5分(71.2cm) 反り 8分(2.4cm) ・山浦清麿(天保11年) ×2振
(左) 松井江 (朱銘) (中) 桑名江 (金象嵌銘) (右) 相州行光 (朱書)※「行光」部分は金粉銘 朱銘(朱判とも):生ぶ茎無銘、またはそれに準ずる上作のものに本阿弥家が極めをしたもの 金象嵌銘:大磨上に極めをしたもの 朱書:生ぶ茎とは限らず大磨上のものもある。本阿弥家ではない
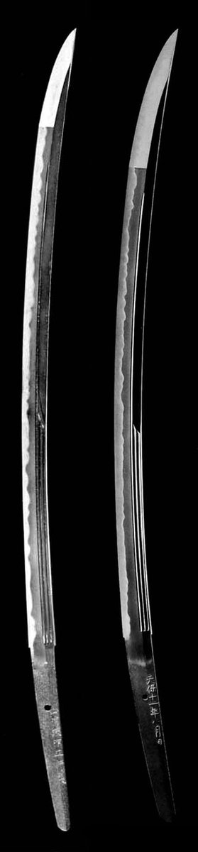
(左) 山姥切長義:71.2cm (右) 源清麿:69.4cm 2振ともかなり先反りが強く先端の方で反っていて少し怖いくらいです。 切先の大きさやフクラの具合が違いますが、先反りが強すぎる感じはよく似ています。 清麿が南北朝時代の大磨上の刀をイメージして姿形を作っていたということなのでしょうが。
私が山姥切長義(本作長義)の姿形が、元来は3尺近い大太刀であったものが大磨上げされ現在の2尺3寸5分(71.2cm)の寸法になり先反りが強すぎると感じていたことについて。 どこかで見た、同じように感じたことがずっと気になっていたのですが。 山浦清麿の天保11年頃に製作された刀でありました。
源清麿は刀工名を前期を「正行」、後期を「清麿」と称しました。 「正行」は相州の名工「正宗」と「行光」にあやかったとも。 「清麿」は後援者であった「窪田清音(すがね)」と「斎藤昌麿(まさまろ)」の各々の一字より。 清麿が窪田清音の為に打った1振(重要美術品)が現存します。
「江戸三作」とは、江戸時代後期に江戸において活躍した三名工 水心子正秀 大慶直胤 源清麿 来年、2020年以降に直胤やその一門を中心として、刀剣の鑑賞会などを行う「直胤会」の発足を密かに計画しております。 大慶直胤をよろしくお願いします!!
幕末の名工:四谷正宗とうたわれた山浦清麿の墓は東京の四谷宗福寺にあります。 嘉永7年11月14日に42歳で亡くなりました。 命日の11月14日には毎年「清麿会」が催されています。
京都国立博物館の通常展示などで寄贈させていただいた南海太郎朝尊の短刀が多くの方の目に触れていただければ、私も大変に嬉しく思います。 作品番号188 短刀 銘 山城国幡枝寓朝尊
昨年の「京のかたな」展に当店より出陳させていただいておりました南海太郎朝尊の短刀を、これもなにかのご縁かと思いまして京都国立博物館に寄贈させていただくことになりました。 先日、京都国立博物館より正式に寄贈を受け入れていただける旨の「受入決定通知書」を郵送いただきました。
ちなちな、その小学校の校長先生のお名前は御留我威都華(オルガ・イツカ)とおっしゃらないとか、口癖は「止まるんじゃねぇ(ry
ちな、うちのは「みかずき」の方です。
拙僧の愚息は「かずき」という名前なのですが、クラスにもう1名「かずきくん」がいるそうで。 紛らわしいから各々の名字の頭文字を「かずき」の前につけて「みかずき」と「さかずき」と呼ばれてるんだそうです。 かっけーな、オイ
「豊前江」の画像や押形は少ないのですが。 「相州伝名作集」という大型本には「桑名江」と「豊前江」が並んで掲載されてたのですね。私も知りませんでした。
「大倶利伽羅」は生ぶ孔が残っていないことや彫物の位置からしても、かなり大きく磨上げられています。 現状で2尺2寸3分(67.6cm)ですので、元来の長さは2尺8寸(約84.8cm)~2尺9寸(約87.9cm)くらいだと思われます。 茎長さ5寸7分(17.3cm)というのは、刀身とのバランス的にやや短めな印象を受けます
刀剣の保存に適した除湿剤を探していましたが、やっと理想的なものが見つかりました。 竹活性炭で湿度55%付近に調湿されます。 (美術館で使用される刀剣に適したアートソーブも55%のもの) 化学物質ではなく竹炭なので刀剣への影響もないでしょう。
「山姥切国広」 九州日向住国広作 天正十八年庚寅貳月吉日平顕長 2月を「二」ではなく旧字体で「貳」と切っています。 堀川国広が月の数字を旧字体としたのは「山姥切国広」のみのようです。 推測されることは ・改竄の防止。(日付の重要度が高い) ・実際に2月であった
「蛍丸」に一縷の望みがあるとするならば、 昭和20年12月21日に熊本進駐軍駐屯地へ移された際に、旧国宝であったので、他の一般の刀とは分かれて倉庫に保管されていたことです。 持ち去った人物も「蛍丸」の価値を認識していたと推測されます。 やはり何処かで現存しているのではないでしょうか。
「蛍丸」 資料-1 熊本日日新聞 昭和35年3月13日 夕刊 刀が宮地署に供出されたころ同署の係であった藤原継雄さんは当時のもようについて「蛍丸」も含め全部の刀を供出するよう何度も進駐軍の命令が県を通してあったので、阿蘇神社にも連絡、供出してもらった。
「蛍丸」が昭和20年(1945)に行方不明になってしまった時系列 12月4日 阿蘇神社より宮地警察署へ提出 (↓16日後) 21日(または22日) 宮地警察署より熊本進駐軍駐屯地へ、倉庫で保管 (↓2~3日間) 22~23日 倉庫で目撃されている (↓提出より5日後) 26日 行方不明になる。刀袋と箱のみ残る
切った銘字を例えるとすれば、 茎部分の鉄が硬い「山姥切国広」は 硬い鉛筆(Hくらい)やシャープペンシル 茎部分の鉄が軟らかい「山姥切長義」は 毛筆や、滑りの良い万年筆やサインペン でしょうか。
(左)山姥切国広 (右)山姥切長義 堀川国広が双方とも銘字を切っています。 天正18年の2月と5月、わずか3ヶ月しか期間に差はありませんが、 銘字は長義は流暢で、国広の方は固い印象です。 これは茎部分の鉄の硬軟の差だと思われます。 長義が軟らかく、国広が固いので違いがでているのでしょう。
国広は(太刀を除いて)あまり目釘孔の上に銘字を切りません。 (赤線)の第1目釘孔の間際まで 表は「本作」 裏は「天正」 と切っています。 これにより、第1目釘孔は国広が切銘した時点では既にあったということと。 そして「山姥切長義」の当時の打刀の目釘孔の位置ということを物語っています。
(左)山姥切国広 (右)山姥切長義 山姥切長義には棒樋が茎尻まで掻き通しとなっていますが、これも国広が銘を切った時点には既にあったと思われます。 茎尻の棒樋の終筆がわずかに丸みを帯びています。これは古刀期の棒樋だと思われます。 山姥切国広は棒樋を掻き切っていてシャープな印象です。