明和電機(@MaywaDenki)さんの人気ツイート(古い順)

226
おねえさん!うしろ!うしろ!くわれる!
227
できた。オタマミン。
228
トレンド入りしてるから何かとおもったら・・ twitter.com/BEFIRSTofficia…
229
オタマロイドにビブラート奏法を教える。人間は簡単にできるけど、人間型ロボットだと複数の関節のモーターを制御して直線往復運動をさせるので、たいへん!
230
オタマロイドにマイウェイを伝授してるんだが・・・のわああ!下手くそすぎる! これから本番の国際ロボット展にむけて鬼の特訓を開始。
231
おおお!オタマロイドくん、猛練習でだいぶ上手くなった!ビブラート奏法とスライド奏法ができるようになった! でもまだまだだな。演奏に緩急がなIい。奏法におぼれて、技を使いすぎだな。
232
オタマロイドに鬼の指導をしている。
233
オタマロイドに新曲「千本桜」を指導してるが・・指が遅い!音程がおかしい! おまえ、国際ロボット展をなめとんのかああああ!
234
アメリカ限定販売のぐでたまオタマトーンが届いた。もー新種の生命体としか言いようがない。
235
「伴奏ニアワセテ、弾ケマス!」って自信満々でオタマロイドが言うから、千本桜を弾かせてみたら・・・おまえっ ぜんぜん弾けんやんけっ! リズムが走りまくっとるやんけ! なめとんのかあああ!
236
オタマミンの動画をYOUTUBEにアップしました。かなり作るのむずかしいです!作れるかなー。 この番組は、秋葉原駅前商店街振興組合の提供でお送りします。 YOUTUBE> youtu.be/JNQy-478Ass
237
オタマロイドくん、おいおい、千本桜の演奏、うまくなってきとるやん。首ふって余裕かましはじめた。 #2022国際ロボット展 #オタマロイド
238
オタマミンのアクリルフレーム、10個できました!これがあれば、オタマミンが作れます。 明日、秋葉原の明和電機ショップに納品します。部品はラジオデパートでぜんぶ買えるので、スタンプラリーみたいにお店をまわろう!
239
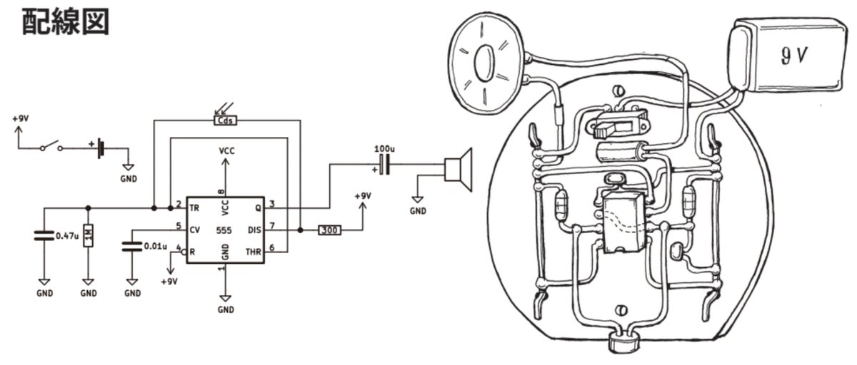
オタマミン、自力で作ってみるわー、という方のための回路図と配線スケッチです。がんばって! #otamamin
240
4月から5月にかけて、明和電機のライブと展覧会が目白押しです。 ライブは2020年の電動楽器スタイル、2010年の電動楽器スタイル、そしてなんと1994年の電動楽器スタイルの製品デモをやります。 つまり・・・ギターラ(仮称)がひっさしぶりに登場!!君は見たことがあるか!?というか、動くんか?
241
オタマミンでホルストの「木星」を演奏してみた。 #otamamin YOUTUBE>youtu.be/3okb-FdEVik
242
オタマロイド、猛特訓で千本桜うまくなった!教官はうれしいぞ! 国際ロボット展はいよいよ明後日!
243
オタマロイドで「マイウェイ」。つらい特訓もがんばったなーオタマロイドくん。教官はおもわず涙だよ。 #国際ロボット展
244
オタマロイドは動きをつけるエディターもかわいい! #国際ロボット展
245
国際ロボット展、明和電機ブースのとなりではバイバイワールドさんのビッククラッピーがはじけてて、なんだかまわりと異質なエリアになってます。 #国際ロボット展
246
画面右側にへんな生き物がいる。 twitter.com/yu_g1r1/status…
247
国際ロボット展でオタマロイドが演奏する「千本桜」です。#国際ロボット展 YOUTUBEフル動画 youtu.be/Oq_eQz6H2WM
248
ロボットが動かないので、社長が歌って間をつなぎました。 ロボットの前座は生まれてはじめてです。 #国際ロボット展 twitter.com/kmoriyama/stat…
249
HONDAのUNI-ONE。重心の移動で進むので、オタマトーンを演奏しながら移動できる!
250
新しいアー写。