タマゴさん(@86723nasogamat)さんの人気ツイート(リツイート順)

126
電子部品の寿命(体力ゲージ)を可視化してみました
127
【悲報】高電圧のかけすぎで電気代が過去一更新しました。
128
プリウスIGBTモジュールの内部回路図です
129
コイル(インダクタ) ・自作が簡単 ・寿命が長い ・みんな知ってる ・わかりやすい ・壊れにくい ・かっこいい ・ロマンがある コンデンサ(キャパシタ) ・自作が難しい ・爆発する ・寿命が短い ・知名度が低い ・爆発すると臭い ・ブサイク ・臭い ・バカ ・アホ
130
自作PC組んでみたくなったので設計してる()
131
4コママンガです
132
AMラジオ放送廃止、子ども達がラジオ作って電子工作にハマるということが無くなってパワエレ幼女が誕生する確率が限りなく低くなってしまうのでマジでやめてほしい
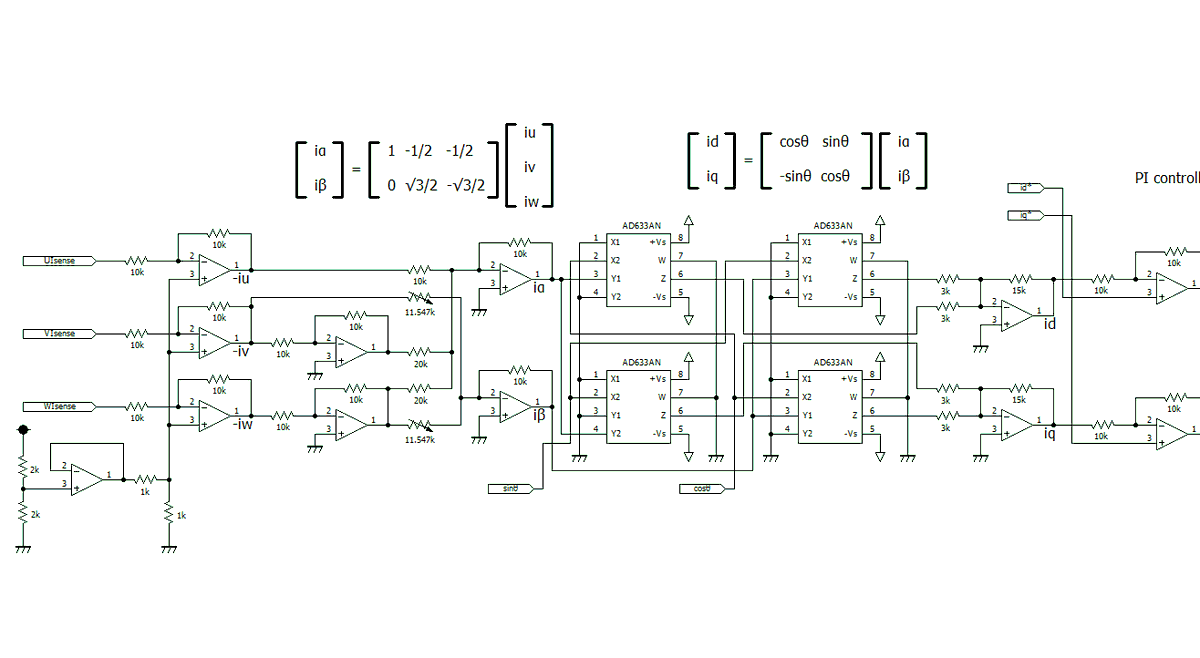
133
アナログ回路で行列演算しようとするな
134
だからその回路やめろって💢
135
秋月の超大型ヒートシンク買ってみたけどさすがにデカくて草
136
137
部活、新入生誰もこねえ
138
139
絶対最大定格25Vなのに26Vかけたら壊れたんだけど!?!?!💢
140
危ないって言われたので、これ見つけたら問答無用で貼り付けていくわ
141
(老害)「今の若いもんは電子工作と言ったらArduinoだからなんでもマイコンの処理に頼りきりで回路のことはなにもわかってないのでダメだ💢俺の若い頃なんかは三相インバータとかはトランジスタから組んだぞ💢」
142
誰がなんと言おうと正弦波です
143
待ち合わせしてるけど永遠に会えない現象が起きてそう
144
負けるかッ…! twitter.com/tkk_0709/statu…
145
〜自作パソコンを作るときに必要な道具〜 ・ハンダゴテ ・パソコン ・直流安定化電源 ・オシロスコープ ・電子負荷 ・ボール盤など 〜あると良い道具〜 ・ネットワークアナライザ ・レーザーカッター ・3Dプリンタ
146
料理と電子工作を自分なりに比較してみた
147
五重の塔
148
ワイ「CADデータあるやんけ!」 ワイ「」
149
これすき
150
電工 上級編